Short Stroke Air Cylindres
Product details
| Order Code | Short Stroke Air Cylindres |
| Medium | Compressed Air, Filtered & Lubricated |
| Design | Piston cylinder |
| Max. operating pressure | 10 Bar |
| Operating temperature | -100°C to + 800°C |
| Tolerance in stroke | + 1.0 mm |
| Material | Housing - Aluminium, Piston rod - S.S. 410 Roller Burnished. Seals - Nitrile & Polyurethene. |
All dimensions are in millimeters unless otherwise stated. Note : Max. stroke length 100.
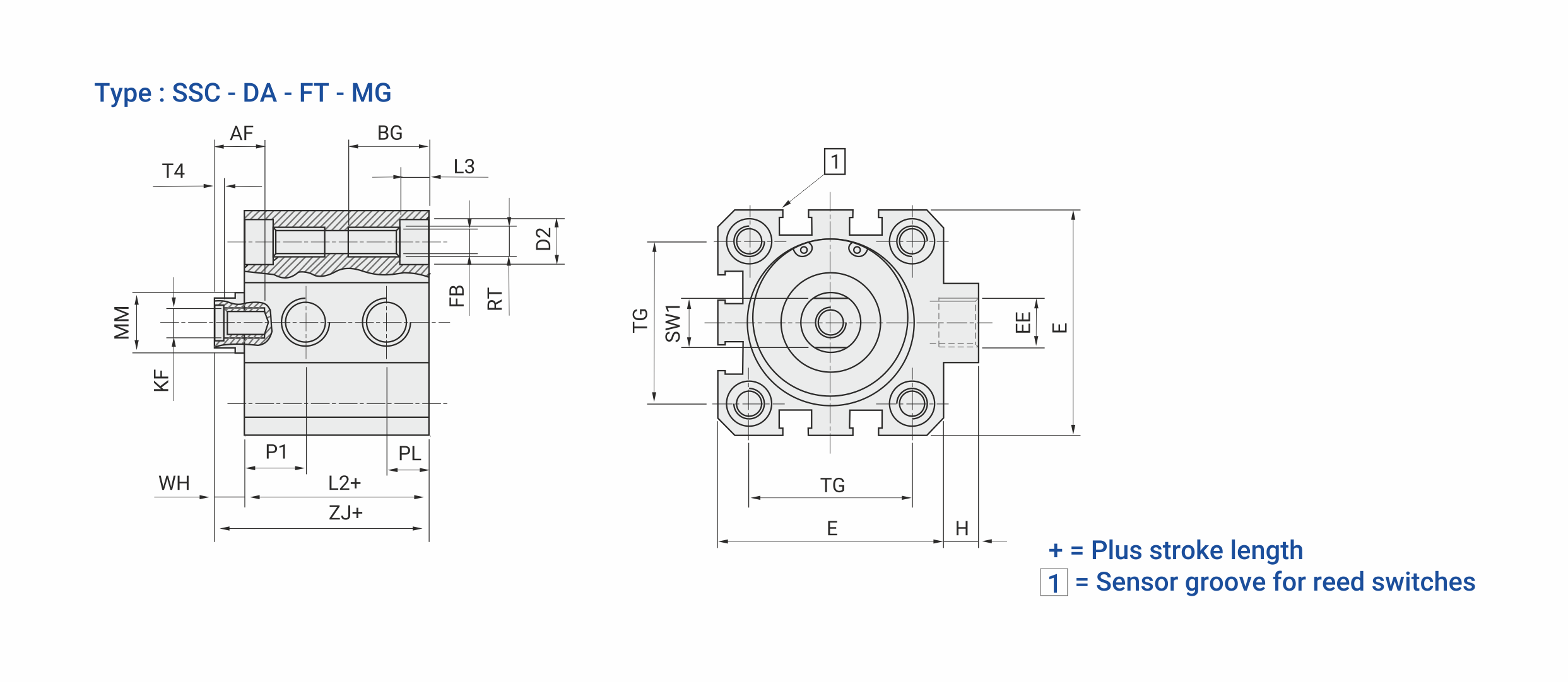
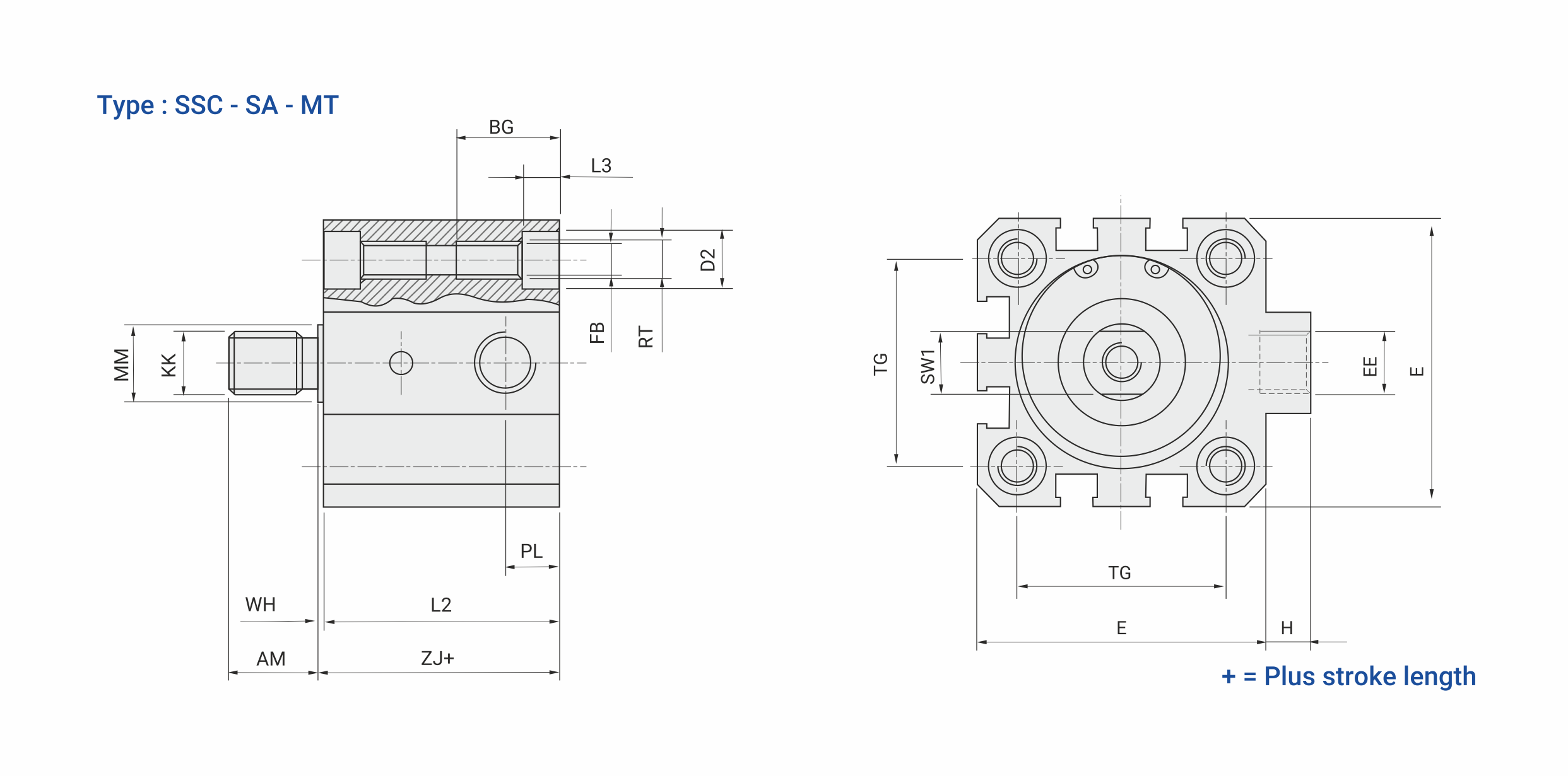
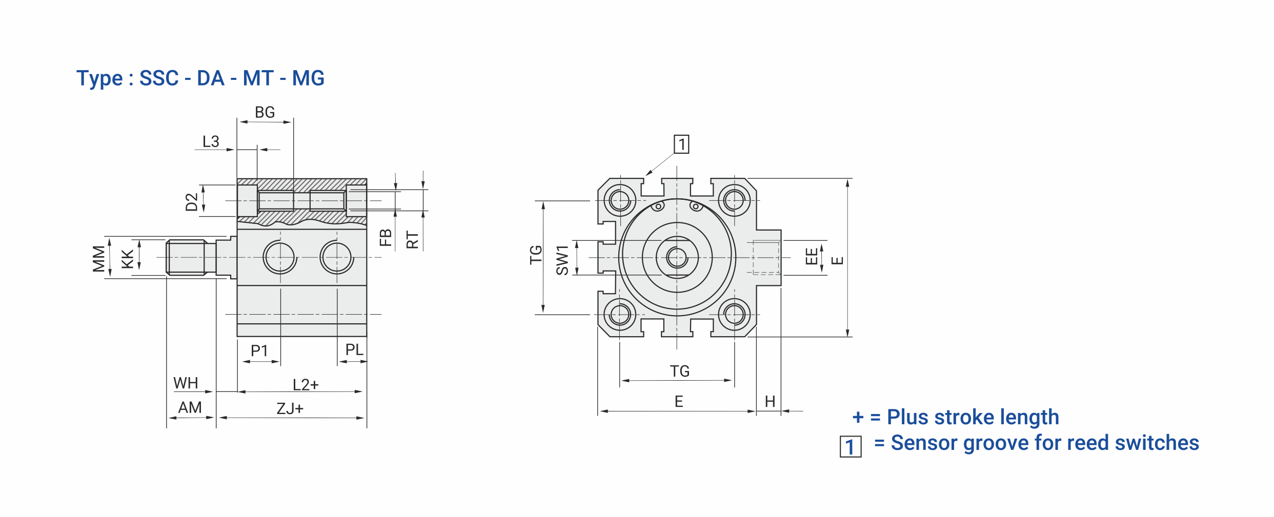
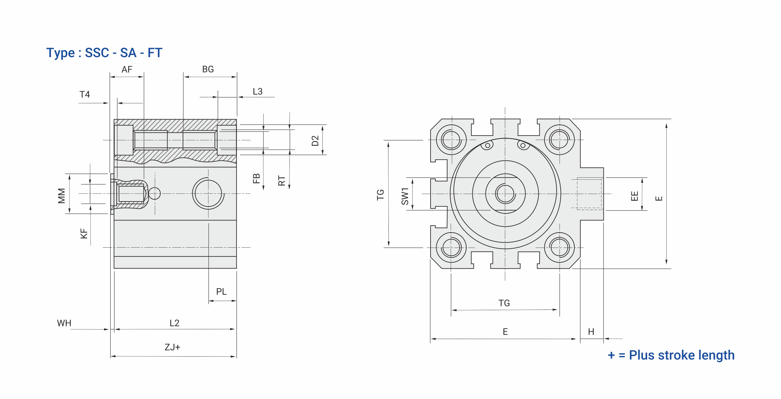
The Dutta make Short Stroke Cylinder is ideal for machine designs with small space requirements. The square body gives flexibility for machine design. The Dutta make Short Stroke Cylinder has a variety of double-acting and single-acting range from bore 25 to 100 mm and stroke up to 100 mm for double-acting and 25 mm for single-acting. A Magnetic Reed Switch can also be adopted in the slot provided in the body. Installation of basic cylinder without mounting attachments.
How to order
| Piston dia mm. | AF min. | BG min. | D2 | E max. | EE BSP | FB | H | KF | L2 | L3 | MM Ø | PL | P1 | RT | T4 | TG | WH | ZJ | SW1 |
|---|---|---|---|---|---|---|---|---|---|---|---|---|---|---|---|---|---|---|---|
| 25 | 10 | 18 | 7.5 | 40 | M5 | 4.2 | 1.5 | M5 x 0.8 | 39.5 | 4.5 | 10 | 7 | 7 | M5 x 0.8 | - | 26 | 5.5 | 45 | 8 |
| 32 | 12 | 21.7 | 9 | 45.0 | 1/8" | 5.2 | 7.0 | M6 x 1P | 33 | 5.7 | 12 | 8.5 | 10.0 | M6 x 1P | 2.6 | 32.5 | 6 | 39 | 10 |
| 40 | 12 | 21.7 | 9 | 53.5 | 1/8" | 5.2 | 7.0 | M6 x 1P | 35 | 5.7 | 12 | 8.5 | 12.0 | M6 x 1P | 2.6 | 38.0 | 6 | 41 | 10 |
| 50 | 16 | 22.8 | 11 | 63.5 | 1/8" | 6.8 | 7.0 | M8 x 1.25P | 35 | 6.8 | 16 | 9.5 | 12.0 | M8 x 1.25P | 3.3 | 46.5 | 8 | 43 | 13 |
| 63 | 16 | 22.8 | 11 | 77.0 | 1/8" | 6.8 | 7.0 | M8 x 1.25P | 39 | 6.8 | 16 | 10.0 | 12.0 | M8 x 1.25P | 3.3 | 56.5 | 8 | 47 | 13 |
| 80 | 20 | 25.0 | 14 | 95.0 | 1/8" | 8.5 | 6.5 | M10 x 1.5P | 43 | 9.0 | 20 | 11.0 | 15.0 | M10 x 1.5P | 4.7 | 72.0 | 8 | 51 | 17 |
| 100 | 24 | 25.0 | 14 | 113.0 | 1/4" | 8.5 | 7.0 | M12 x 1.75P | 52 | 9.0 | 25 | 13.5 | 16.5 | M10 x 1.5P | 6.1 | 89.0 | 10 | 62 | 22 |
| Piston dia mm. | AM -0.5 | BG min. | D2 | E max. | EE BSP | FB | H | KK | L2 | L3 | MM Ø | PL | P1 | RT | TG | WH | ZJ | SW1 |
|---|---|---|---|---|---|---|---|---|---|---|---|---|---|---|---|---|---|---|
| 25 | 14 | 18 | 7.5 | 40 | M5 | 4.2 | 1.5 | M10 x 1.25P | 39.5 | 4.5 | 10 | 7 | 7 | M5 x 0.8 | 26 | 5.5 | 45 | 8 |
| 32 | 14 | 21.7 | 9 | 45.0 | 1/8" | 5.2 | 7.0 | M10 x 1.25P | 33 | 5.7 | 12 | 8.5 | 10.0 | M6 x 1P | 32.5 | 6 | 39 | 10 |
| 40 | 14 | 21.7 | 9 | 53.5 | 1/8" | 5.2 | 7.0 | M10 x 1.25P | 35 | 5.7 | 12 | 8.5 | 12.0 | M6 x 1P | 38.0 | 6 | 41 | 10 |
| 50 | 16 | 22.8 | 11 | 63.5 | 1/8" | 6.8 | 7.0 | M12 x 1.25P | 35 | 6.8 | 16 | 9.5 | 12.0 | M8 x 1.25P | 46.5 | 8 | 43 | 13 |
| 63 | 16 | 22.8 | 11 | 77.0 | 1/8" | 6.8 | 7.0 | M12 x 1.25P | 39 | 6.8 | 16 | 10.0 | 12.0 | M8 x 1.25P | 56.5 | 8 | 47 | 13 |
| 80 | 22 | 25.0 | 14 | 95.0 | 1/8" | 8.5 | 6.5 | M16 x 1.5P | 43 | 9.0 | 20 | 11.0 | 15.0 | M10 x 1.5P | 72.0 | 8 | 51 | 17 |
| 100 | 28 | 25.0 | 14 | 113.0 | 1/4" | 8.5 | 7.0 | M20 x 1.5P | 52 | 9.0 | 25 | 13.5 | 16.5 | M10 x 1.5P | 89.0 | 10 | 62 | 22 |
| Piston dia mm. | AF min. | BG min. | D2 | E max. | EE BSP | FB | H | KF | L2 | L3 | MM Ø | PL | P1 | RT | T4 | TG | WH | ZJ | SW1 |
|---|---|---|---|---|---|---|---|---|---|---|---|---|---|---|---|---|---|---|---|
| 25 | 10 | 18 | 7.5 | 40 | M5 | 4.2 | 1.5 | M5 x 0.8 | 39.5 | 4.5 | 10 | 7 | 7 | M5 x 0.8 | - | 26 | 5.5 | 45.0 | 8 |
| 32 | 12 | 21.7 | 9 | 45.0 | 1/8" | 5.2 | 7.0 | M6 x 1P | 33.0 | 5.7 | 12 | 8.5 | 10.0 | M6 x 1P | 2.6 | 32.5 | 6 | 39.0 | 10 |
| 40 | 12 | 21.7 | 9 | 53.5 | 1/8" | 5.2 | 7.0 | M6 x 1P | 35.0 | 5.7 | 12 | 8.5 | 12.0 | M6 x 1P | 2.6 | 38.0 | 6 | 41.0 | 10 |
| 50 | 16 | 22.8 | 11 | 63.5 | 1/8" | 6.8 | 7.0 | M8 x 1.25P | 35.0 | 6.8 | 16 | 9.5 | 12.0 | M8 x 1.25P | 3.3 | 46.5 | 8 | 43.0 | 13 |
| 63 | 16 | 22.8 | 11 | 77.0 | 1/8" | 6.8 | 7.0 | M8 x 1.25P | 39.0 | 6.8 | 16 | 10.0 | 12.0 | M8 x 1.25P | 3.3 | 56.5 | 8 | 47.0 | 13 |
| 80 | 20 | 25.0 | 14 | 95.0 | 1/8" | 8.5 | 6.5 | M10 x 1.5P | 43.0 | 9.0 | 20 | 11.0 | 15.0 | M10 x 1.5P | 4.7 | 72.0 | 8 | 51.0 | 17 |
| 100 | 24 | 25.0 | 14 | 113.0 | 1/4" | 8.5 | 7.0 | M12 x 1.75P | 52.0 | 9.0 | 25 | 13.5 | 16.5 | M10 x 1.5P | 6.1 | 89.0 | 10 | 62.0 | 22 |
| Piston dia mm. | AM min. -0.5 | BG min. | D2 | E max. | EE BSP | FB | H | KK | L2 | L3 | MM Ø | PL | P1 | RT | TG | WH | ZJ | SW1 |
|---|---|---|---|---|---|---|---|---|---|---|---|---|---|---|---|---|---|---|
| 25 | 14 | 18 | 7.5 | 40 | M5 | 4.2 | 1.5 | M10 x 1.25P | 39.5 | 4.5 | 10 | 7 | 7 | M5 x .08 | 26 | 5.5 | 45.0 | 8 |
| 32 | 14 | 21.7 | 9 | 45.0 | 1/8" | 5.2 | 7.0 | M10 x 1.25P | 33.0 | 5.7 | 12 | 8.5 | 10.0 | M6 x 1P | 32.5 | 6 | 39.0 | 10 |
| 40 | 14 | 21.7 | 9 | 53.5 | 1/8" | 5.2 | 7.0 | M10 x 1.25P | 35.0 | 5.7 | 12 | 8.5 | 12.0 | M6 x 1P | 38.0 | 6 | 41.0 | 10 |
| 50 | 16 | 22.8 | 11 | 63.5 | 1/8" | 6.8 | 7.0 | M12 x 1.25P | 35.0 | 6.8 | 16 | 9.5 | 12.0 | M8 x 1.25P | 46.5 | 8 | 43.0 | 13 |
| 63 | 16 | 22.8 | 11 | 77.0 | 1/8" | 6.8 | 7.0 | M12 x 1.25P | 39.0 | 6.8 | 16 | 10.0 | 12.0 | M8 x 1.25P | 56.5 | 8 | 47.0 | 13 |
| 80 | 22 | 25.0 | 14 | 95.0 | 1/8" | 8.5 | 6.5 | M16 x 1.5P | 43.0 | 9.0 | 20 | 11.0 | 15.0 | M10 x 1.5P | 72.0 | 8 | 51.0 | 17 |
| 100 | 28 | 25.0 | 14 | 113.0 | 1/4" | 8.5 | 7.0 | M20 x 1.5P | 52.0 | 9.0 | 25 | 13.5 | 16.5 | M10 x 1.5P | 89.0 | 10 | 62.0 | 22 |
| Piston dia x Stroke | AF min. | BG min. | D2 | E max. | EE BSP | FB | H | KF | L2 | L3 | MM Ø | PL | RT | T4 | TG | WH | ZJ | SW1 |
|---|---|---|---|---|---|---|---|---|---|---|---|---|---|---|---|---|---|---|
| 25 x 5 | 10 | 18 | 7.5 | 40 | M5 | 4.2 | 1.5 | M5 x 0.8 | 45 | 4.5 | 10 | 7 | M5 x 0.8 | - | 26 | 5.5 | 50.5 | 8 |
| 25 x 10 | 50 | 55.5 | ||||||||||||||||
| 25 x 25 | 65 | 70.5 | ||||||||||||||||
| 32 x 5 | 12 | 21.7 | 9 | 45.0 | 1/8" | 5.2 | 7.0 | M6 x 1P | 30 | 5.7 | 12 | 8.5 | M6 x 1P | 2.6 | 32.5 | 1.0 | 31 | 10 |
| 32 x 10 | 39 | 40 | ||||||||||||||||
| 32 x 25 | 54 | 55 | ||||||||||||||||
| 40 x 10 | 12 | 21.7 | 9 | 53.5 | 1/8" | 5.2 | 7.0 | M6 x 1P | 40 | 5.7 | 12 | 8.5 | M6 x 1P | 2.6 | 38.0 | 1.0 | 41 | 10 |
| 40 x 25 | 60 | 61 | ||||||||||||||||
| 50 x 10 | 16 | 22.8 | 11 | 63.5 | 1/8" | 6.8 | 7.0 | M8 x 1.25P | 37.5 | 6.8 | 16 | 9.5 | M8 x 1.25P | 3.3 | 46.5 | 0.5 | 38 | 13 |
| 50 x 25 | 60 | 60.5 | ||||||||||||||||
| 63 x 10 | 16 | 22.8 | 11 | 77.0 | 1/8" | 6.8 | 7.0 | M8 x 1.25P | 37.5 | 6.8 | 16 | 10.0 | M8 x 1.25P | 3.3 | 56.5 | 1.0 | 38.5 | 13 |
| 63 x 25 | 60 | 61 | ||||||||||||||||
| 80 x 10 | 20 | 25.0 | 14 | 95.0 | 1/8" | 8.5 | 6.5 | M10 x 1.5P | 56 | 9.0 | 20 | 11.0 | M10 x 1.5P | 4.7 | 72.0 | 1.0 | 57 | 17 |
| 80 x 25 | 71 | 72 | ||||||||||||||||
| 100 x 10 | 24 | 25.0 | 14 | 113.0 | 1/4" | 8.5 | 7.0 | M12 x 1.75P | 62 | 9.0 | 25 | 13.5 | M10 x 1.5P | 6.1 | 89.0 | 1.0 | 63 | 22 |
| 100 x 25 | 77 | 78 |
| Piston dia x Stroke | AF -0.5 | BG min. | D2 | E max. | EE BSP | BB | KK | L2 | L3 | MM | PL | RT | TG | WH | ZJ | SW1 |
|---|---|---|---|---|---|---|---|---|---|---|---|---|---|---|---|---|
| 25 x 5 | 14 | 18 | 7.5 | 40 | M5 | 4.2 | 1.5 | M10 x 1.25 | 45 | 4.5 | 10 | M5 x 0.8 | 26 | 5.5 | 50.5 | 8 |
| 25 x 10 | 50 | 55.5 | ||||||||||||||
| 25 x 25 | 65 | 70.5 | ||||||||||||||
| 32 x 5 | 14 | 21.7 | 9 | 45.0 | 1/8" | 5.2 | 7.0 | M10 x 1.25P | 30 | 5.7 | 12 | M6 x 1P | 32.5 | 6 | 31 | 10 |
| 32 x 10 | 39 | 40 | ||||||||||||||
| 32 x 25 | 54 | 55 | ||||||||||||||
| 40 x 10 | 14 | 21.7 | 9 | 53.5 | 1/8" | 5.2 | 7.0 | M10 x 1.25P | 40 | 5.7 | 12 | M6 x 1P | 38.0 | 6 | 41 | 10 |
| 40 x 25 | 60 | 61 | ||||||||||||||
| 50 x 10 | 16 | 22.8 | 11 | 63.5 | 1/8" | 6.8 | 7.0 | M12 x 1.25P | 37.5 | 6.8 | 16 | M8 x 1.25P | 46.5 | 0.5 | 38 | 13 |
| 50 x 25 | 60 | 60.5 | ||||||||||||||
| 63 x 10 | 16 | 22.8 | 11 | 77.0 | 1/8" | 6.8 | 7.0 | M12 x 1.25P | 37.5 | 6.8 | 16 | M8 x 1.25P | 56.5 | 1.0 | 38.5 | 13 |
| 63 x 25 | 60 | 61 | ||||||||||||||
| 80 x 10 | 22 | 25.0 | 14 | 95.0 | 1/8" | 8.5 | 6.5 | M16 x 1.5P | 56 | 9.0 | 20 | M10 x 1.5P | 72.0 | 8 | 57 | 17 |
| 80 x 25 | 71 | 72 | ||||||||||||||
| 100 x 10 | 28 | 25.0 | 14 | 113.0 | 1/4" | 8.5 | 7.0 | M20 x 1.75P | 62 | 9.0 | 25 | M10 x 1.5P | 89.0 | 10 | 63 | 22 |
| 100 x 25 | 77 | 78 |