| Piston Dia mm | A | AB | AH | AO | B1 | B2 | B3 | C1 | CB | CD | CE | CK | CM | D1 | D5 | E | E1 | ER | FB | G1 | G2 | G3 | H3 |
|---|---|---|---|---|---|---|---|---|---|---|---|---|---|---|---|---|---|---|---|---|---|---|---|
| 32 | 20 | 7.0 | 32 | 8 | 20 | 26.0 | 5.0 | 32 | 26 | 10 | 40 | 10 | 10 | 18 | 32.5 | 45 | 54 | 12 | 7 | 21 | 18 | 31 | 4 |
| 40 | 24 | 9.0 | 36 | 10 | 24 | 31.0 | 6.0 | 38 | 28 | 12 | 48 | 12 | 12 | 20 | 39.6 | 54 | 62 | 14 | 9 | 24 | 22 | 35 | 5 |
| 50 | 32 | 9.0 | 45 | 10 | 32 | 39.0 | 8.0 | 42 | 32 | 12 | 64 | 16 | 16 | 26 | 48.0 | 65 | 70 | 19 | 9 | 33 | 30 | 45 | 6 |
| 63 | 32 | 9.0 | 50 | 15 | 32 | 39.0 | 8.0 | 50 | 40 | 16 | 64 | 16 | 12 | 26 | 59.4 | 80 | 82 | 19 | 9 | 37 | 35 | 50 | 6 |
| 80 | 40 | 12.0 | 63 | 16 | 40 | 53.0 | 10.0 | 60 | 50 | 16 | 80 | 20 | 20 | 34 | 70.7 | 96 | 102 | 25 | 12 | 47 | 40 | 60 | 8 |
| 100 Economy | 40 | 14.0 | 71 | 14 | 40 | 53.0 | 10.0 | 57 | 60 | 20 | 80 | 20 | 20 | 34 | 93.3 | 126 | 126 | 25 | 14 | 55 | 50 | 70 | 8 |
| 100 Deluxe | 40 | 14.0 | 71 | 17.5 | 40 | 53.0 | 10.0 | 58.5 | 60 | 16 | 80 | 20 | 20 | 34 | 89 | 110 | 126 | 25 | 14 | 55 | 50 | 70 | 8 |
| Piston Dia mm | H4 | H6 | KK | K1 | K2 | L | LE | MR | R | R1 | SA | S4 | S5 | SW | T5 | TF | TR | UB | UF | W | XA | XD | ZF |
|---|---|---|---|---|---|---|---|---|---|---|---|---|---|---|---|---|---|---|---|---|---|---|---|
| 32 | 8 | 8 | M10x1.25 | 38 | 51 | 14 | 20 | 10 | 32 | 10.0 | 142 | 10 | 5.5 | 17 | 5.7 | 64 | 32 | 45 | 77 | 16 | 144 | 142 | 130 |
| 40 | 9 | 10 | M12x1.25 | 41 | 54 | 16 | 24 | 13 | 36 | 11.0 | 161 | 10 | 5.5 | 19 | 5.7 | 72 | 36 | 52 | 90 | 20 | 163 | 160 | 145 |
| 50 | 11 | 12 | M16x1.5 | 50 | 65 | 16 | 32 | 16 | 45 | 13.0 | 169 | 11 | 6.6 | 24 | 6.8 | 90 | 45 | 60 | 110 | 25 | 174 | 169 | 154 |
| 63 | 12 | 12 | M16x1.5 | 52 | 67 | 23 | 32 | 18 | 50 | 15.0 | 185 | 11 | 6.6 | 24 | 6.8 | 100 | 50 | 70 | 125 | 25 | 190 | 190 | 170 |
| 80 | 14 | 14 | M20x1.5 | 66 | 86 | 24 | 40 | 18 | 63 | 15.0 | 210 | 15 | 9.0 | 30 | 9.0 | 126 | 63 | 90 | 154 | 31 | 215 | 210 | 189 |
| 100 Economy | 15 | 15 | M20x1.5 | 76 | 96 | 28 | 40 | 23 | 75 | 19.0 | 220 | 15 | 9.0 | 30 | 9.0 | 150 | 75 | 110 | 186 | 35 | 230 | 230 | 205 |
| 100 Deluxe | 16 | 15 | M20x1.5 | 76 | 96 | 25 | 40 | 23 | 75 | 19.0 | 220 | 15 | 9.0 | 30 | 9.0 | 150 | 75 | 110 | 175 | 35 | 230 | 230 | 205 |
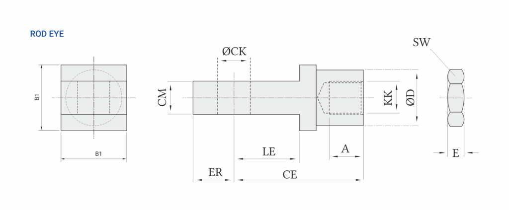
| Piston Dia mm | A | CE | CN Ø | D Ø | E | EL | EN | ER | KK | SW1 | SW | K1 | K2 | L | LE | MR | R | R1 | SA | S4 | S5 | T5 | TF | TR | UB | UF | W | XA | XD | ZF |
|---|---|---|---|---|---|---|---|---|---|---|---|---|---|---|---|---|---|---|---|---|---|---|---|---|---|---|---|---|---|---|
| 32 | 21 | 43 | 10 | 19 | 5 | 11 | 14 | 13 | M10x1.25 | 17 | 17 | - | - | - | - | - | - | - | - | - | - | - | - | - | - | - | - | - | - | - |
| 40 | 24 | 50 | 12 | 22 | 6 | 12 | 16 | 15 | M12x1.25 | 19 | 19 | - | - | - | - | - | - | - | - | - | - | - | - | - | - | - | - | - | - | - |
| 50 | 33 | 64 | 16 | 27 | 8 | 15 | 21 | 19 | M16x1.5 | 22 | 24 | - | - | - | - | - | - | - | - | - | - | - | - | - | - | - | - | - | - | - |
| 63 | 33 | 64 | 16 | 27 | 8 | 15 | 21 | 19 | M16x1.5 | 22 | 24 | - | - | - | - | - | - | - | - | - | - | - | - | - | - | - | - | - | - | - |
| 80 | 40 | 77 | 20 | 34 | 10 | 18 | 25 | 23 | M20x1.5 | 30 | 30 | - | - | - | - | - | - | - | - | - | - | - | - | - | - | - | - | - | - | - |
| 100 | 40 | 77 | 20 | 34 | 10 | 18 | 25 | 23 | M20x1.5 | 30 | 30 | - | - | - | - | - | - | - | - | - | - | - | - | - | - | - | - | - | - | - |
| PISTON DIA mm | A | CE | CN Ø | D Ø | E | EL | EN | ER | KK | SW1 | SW |
|---|---|---|---|---|---|---|---|---|---|---|---|
| 21 | 43 | 10 | 19 | 5 | 11 | 14 | 13 | M10x1.25 | 17 | 17 | |
| 40 | 24 | 50 | 12 | 22 | 6 | 12 | 16 | 15 | M12x1.25 | 19 | 19 |
| 50 & 63 | 33 | 64 | 16 | 27 | 8 | 15 | 21 | 19 | M16x1.5 | 22 | 24 |
| 80 & 100 | 40 | 77 | 20 | 34 | 10 | 18 | 25 | 23 | M20x1.5 | 30 | 30 |
| PISTON DIA mm | CD Ø | E | EW | H4 | L | MR |
|---|---|---|---|---|---|---|
| 32 | 10 | 45 | 45 | 8 | 14 | 10 |
| 40 | 12 | 54 | 54 | 9 | 16 | 13 |
| 50 | 12 | 65 | 65 | 11 | 16 | 16 |
| 63 | 16 | 80 | 80 | 12 | 23 | 18 |
| 80 | 16 | 96 | 96 | 14 | 24 | 18 |
| 100 | 20 | 126 | 126 | 15 | 28 | 23 |
| PISTON DIA mm | C2 | C3 | J5 | TDØ | TL | TM | UW | XV |
|---|---|---|---|---|---|---|---|---|
| 32 | 71 | 86 | 30 | 12 | 12 | 50 | 65 | 73 |
| 40 | 87 | 105 | 32 | 16 | 16 | 63 | 75 | 82.5 |
| 50 | 99 | 117 | 34 | 16 | 16 | 75 | 95 | 90 |
| 63 | 116 | 136 | 41 | 20 | 20 | 90 | 105 | 97.5 |
| 80 | 136 | 176 | 44 | 20 | 20 | 110 | 130 | 110 |
| 100 | 164 | 189 | 48 | 25 | 25 | 132 | 145 | 120 |
| PISTON DIA mm | G4 | G5 | H7 | S7Ø | S8Ø | T4 | T5 | T6 | T7 | TDØ |
|---|---|---|---|---|---|---|---|---|---|---|
| 32 | 32 | 46 | 30 | 6.5 | 11 | 15 | 18 | 7 | 10.5 | 12 |
| 40 | 36 | 55 | 36 | 9 | 14 | 18 | 21 | 9 | 12 | 16 |
| 50 | 36 | 55 | 36 | 9 | 14 | 18 | 21 | 9 | 12 | 16 |
| 63 | 42 | 65 | 40 | 11 | 17 | 20 | 23 | 11 | 13 | 20 |
| 80 | 42 | 65 | 40 | 11 | 17 | 20 | 23 | 11 | 13 | 20 |
| 100 | 50 | 75 | 50 | 14 | 20 | 25 | 28.5 | 13 | 16 | 25 |